首先,需對“原材料裂紋”和“鍛造裂紋”先確定概念,對鍛造后出現的裂紋,都應理解為“鍛造裂紋”,只不過,導致鍛造裂紋產生的主要因素可以再分成:
1.原材料缺陷所致的鍛造裂紋;

從裂紋宏觀形態先進行大致區分,橫向一般與母材無關,縱向裂紋需要結合裂紋形態與鍛打工藝等結合分析。
裂紋兩側有脫碳,肯定是鍛造過程中產生的,至于是原材料還是鍛造工藝造成的,這就需要根據金相和工藝過程去分析。
對同一批次同種型號的工件,鍛造裂紋基本都在一個位置,在顯微鏡下延伸比較淺,兩邊有脫碳。而材料裂紋不一定在同一位置重復出現,顯微鏡下深淺不一。多看多分析,還是有一定規律的。
材料裂紋多半是與材料縱向一致的。而鍛打裂紋有兩種,一種是過熱過燒造成的,裂紋附近有氧化脫碳現象。還有一種是打冷鐵也會造成發裂,這一種有晶格破壞撕裂的現象。從金相上可以區別開來。
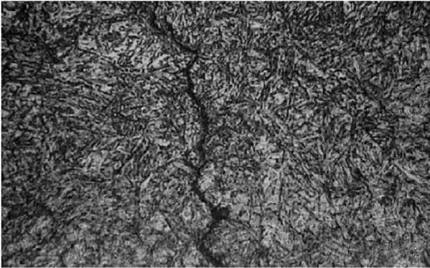
鍛造裂紋
鍛造裂紋一般在高溫時形成,鍛造變形時由于裂紋擴大并接觸空氣,故在100X或500X的顯微鏡下觀察,可見到裂紋內充有氧化皮,且兩側是脫碳的,組織為鐵素體,其形態特征是裂紋比較粗壯且一般經多條形式存在,無明細尖端,比較圓鈍,無明細的方向性,除以上典型形態外,有時會出現有些鍛造裂紋比較細。裂紋周圍不是全脫碳而是半脫碳。
典型的鍛造裂紋示例:

熱處理裂紋
淬火加熱過程中產生的裂紋與鍛造加熱過程形成的裂紋在性質和形態上有明顯的差別。對結構鋼而言,熱處理溫度一般較鍛造溫度要低得多,即使是高速鋼、高合金鋼其加熱保溫時間則遠遠小于鍛造溫度。由于熱處理加熱溫度偏高,保溫時間過長或快速加熱,均會在加熱過程中產生早期開裂。產生沿著較粗大晶粒邊界分布的裂紋;裂紋兩側略有脫碳組織,零件加熱速度過快,也會產生早期開裂,這種裂紋兩側無明顯脫碳,但裂紋內及其尾部充有氧化皮。有時因高溫儀器失靈,溫度非常高,致使零件的組織極粗大,其裂紋沿粗大晶粒邊界分布。
典型的淬火裂紋示例:
500X下,呈鋸齒狀,起始端裂紋寬,結束斷裂紋細小至無,裂紋處未發現異常冶金夾雜,沒有脫碳現象,裂紋呈鋸齒狀延伸,具有淬火裂紋的典型特征。

鍛造裂紋與熱處理裂紋產生原因
1.鍛造裂紋產生原因:鋼在鍛造過程中,由于鋼材存在表面及內部缺陷,如發紋、砂眼、裂紋、夾雜物、皮下氣泡、縮孔、白點和夾層等,都可能成為鍛打開裂的原因。另外,由于鍛打工藝不良或操作不當,如過熱、過燒或終鍛溫度太低,鍛后冷卻速度過快等,也會造成鍛件開裂。
2.熱處理裂紋產生原因:淬火裂紋是宏觀裂紋,主要由宏觀應力引起。在實際生產過程中,鋼制工件常由于結構設計不合理,鋼材選擇不當、淬火溫度控制不正確、淬火冷速不合適等因素,一方面增大淬火內應力,會使已形成的淬火顯微裂紋擴展,形成宏觀的淬火裂紋,另一方面,由于增大了顯微裂紋的敏感度,增加了顯微裂紋的數量,降低了鋼材的脆斷抗力,從而增大淬火裂紋的形成可能性。
裂紋的分辨方法
如何區分究竟是淬火裂紋、回火裂紋、鍛造裂紋還是磨削裂紋等是很重要的,這樣便于準確查找裂紋發生在哪一工序,有利于分析裂紋產生的原因。
第一,注意淬火裂紋和磨削裂紋形態的不同。對于淬火時未發現而在磨削后才發現的裂紋,要區別是淬火裂紋還是磨削裂紋。在裂紋未附著污染物時比較容易,此時注意裂紋的形態,特別是裂紋發展的方向,磨削裂紋是垂直于磨削方向的,呈平行線形態,或呈龜甲狀裂紋。磨削裂紋的深度根淺,而淬火裂紋一般都比較深、比較大,與磨削方同無關,多呈直線刀割狀開裂。
第二,注意裂紋發生的部位。尖銳的凹凸轉角處、孔的邊緣處、刻印處、打鋼印處及機械加工造成的表面缺陷等部位,在這些部位發生的裂紋多屬淬火裂紋。
第三,通過觀察零件的裂斷面來區分是淬火裂紋還是淬火前的鍛造裂紋或其他情況造成的裂紋。若裂紋斷面呈白色或暗白色或淺紅色(水淬時造成的水銹),均可斷定為淬火裂紋,若裂紋斷面呈深褐色,甚至有氧化皮出現,那就不是淬火裂紋,系淬火前就存在的裂紋,是零件經過鍛造或壓延時形成的裂紋,這些裂紋都會因淬火而被擴大。因淬火裂紋基本上是在Ms 點以下時形成的,其斷面是不會被氧化的。
第四,在顯微組織中,淬火裂紋是沿晶界斷裂,若不是沿晶界斷裂,而是沿晶內斷裂,則屬于疲勞裂紋。
第五,如果裂紋周圍有脫碳層存在,那就不是淬火裂紋,而是淬火前就存在的裂紋,因為淬火裂紋是淬火冷卻時產生的,絕不會發生脫碳現象。
來源:鋁加工微信公眾號
